" title="Написать письмо">Написать письмо
Донаты на карту ВТБ:
2200 4002 2461 6363

Статьи по дате (многие всегда актуальны)

Статистика

Пользователи : 1
Статьи : 2371
Просмотры материалов : 9117764
 
Транзистор как усилитель напряжения (18.02.2026). Печать E-mail
2026 - Февраль
18.02.2026 18:53
Save & Share
Сторонился использования транзистора как усилителя напряжения: как усилителя тока с лихвой хватило. И один великий сказал о таком усилителе: "Характеристики этой схемы зависят от экземпляра транзистора, напряжения питания, температуры на Земле и, возможно, от состояния озонового слоя".

Разработали схему ещё в 60-х, в 70-х допиливали до нормального состояния - но схема стала ещё более сложной, здесь рассматриваться не будет. Поэтому ничего простого в этой статье и не планировалось, успокаиваясь парадигмой инженеров: "что строить, что взрывать - нам один хрен".


Почему не использовал операционный усилитель? Заблудился в 8 ногах; а также корпус был настолько малюсеньким, что пайка даже кончиком жала превратилась в мучение. Тогда операционные усилители были эмоционально выброшены - ан нет: жизнь всегда возвращает ошибки назад. Потребовалось усиление сигнала с датчика Холла: кастрированная снизу синусоида с пиком амплитуды 2.3В. И либо усилишь - либо придётся доставать вентиляторы 5В для охлаждения холодильника (а стоят они значительно дороже 12В и в жутком дефиците - 100% покупать придётся, а денег - нет). Есть ещё 3 варианта развития событий - но об этом не сегодня.

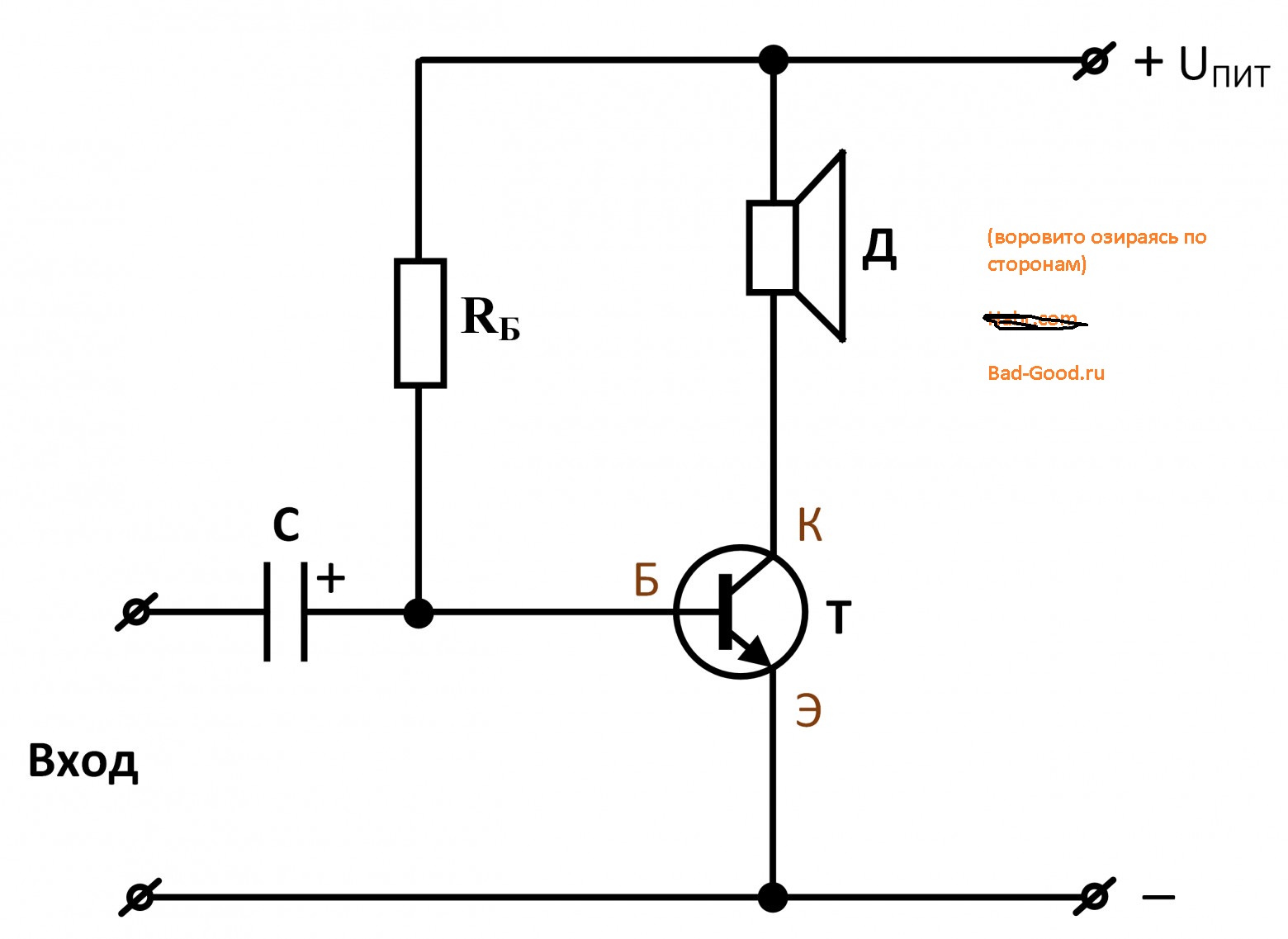
Итак, схема усилителя: стыренная у andrew526d с хабра, из статьи "Анализируем простейший усилитель". Усиление в 20 раз, без выхода за пределы UПит (обрезание напряжения) - очень устраивает: вместо 2.3В должно приходить 46В, обрезанные до 12В.


Собрал: конденсатор 680мкФ при расчётном минимуме 66мкФ по формулам статьи, потенциометр 3296 500кОм (расчётное было 2кОм для полуоткрытого, предполагаемое 20кОм для границы открытости - но W203 нигде не было), транзистор BD237 как заявленный "используется для усилителей напряжения" в гугле, UПит 12В (потому что при 5В вообще ничего не работало), вентилятор 12В/0.25А как нагрузка.

Ну и сразу проблемы и нюансы полезли:
- между базой и землёй: всегда 0.684В, независимо от значения потенциометра. Пока всё нормально - и предсказуемо по статье;
- независимо от огромности значения потенциометра, напряжение на транзисторе лишь 8.5В из 12В (или из 11.3В). Крутя этот резистор, в попытке поймать момент плавного изменения напряжения, - получилось 216кОм и напряжение 8.4В. Пока всё нормально - но уже отличается от 1МОм при UПит 5В в статье (ясное дело: там мог использоваться транзистор с высоким hFE);
- на вентиляторе при закрытом транзисторе падает 3.13В (совсем не половина от источника питания). Вентилятор при этом не крутится: сопротивление транзистора всё ещё велико. Пока всё нормально - но что-то уже как-то не так;
- 2.7В на контактах для сигнала. Всё, труба: если источник сигнала не имеет высокого сопротивления - ток просто продавится в источник сигнала. И слабому сигналу 2.3В через него никогда не пробиться. Всё, конец;
- вот было бы напряжение на входе пониже у усилителя или повыше у модуля датчика Холла - можно было бы хотя бы 0.2-0.3В продавить через диод Шоттки - и при усилении в 20 раз этого бы хватило наполовину приоткрыть транзистор (даже такое устроило бы). Но нет, всю жизнь так всё через жопу: какие-то сраные десятые доли вольта всё испортили;
- и ещё опасность была: если потенциометр выкрутить в 0 - VBE будет превышено, и транзистор сгорит (то есть, этот резистор лучше разбивать на 2 с 1 постоянным номиналом, рассчитанным на полное открытие).

Нужно возвращаться к операционным усилителям. Или к пониманию: даже если эту мелкую микросхему удастся заставить работать - что-то много обвеса для простого управления вентиляторами холодильника (лучше попробовать термостат 35 градусов NC в 5-й раз купить - естественно, взяв теперь 2: NO и NC - чтобы точно получить желаемое). Ну или, вы поняли: Arduino за 150руб, реле и несколько строчек кода - намного проще (попытка сделать проще, чем с Arduino, - провалилась).

Бесит ещё и то, что на всё это расходуется не столько время и силы, сколько припой - а его и в наличии осталось очень мало, и купить сложно. Если так пойдёт дальше - скоро все эти игрульки с электронными компонентами остановятся окончательно: паять не ПОС-61 - это мазохизм.

(добавлено 19.02.2026) А вот ситуация с BDX33C и UПит 5В - ситуация вышла совершенно иная:
- потенциометр с 216кОм - сильно избыточен: на нагрузке ровно 0В (никакой половины питания), приходится крутить его назад - замерев на примерной отметке 46кОм (неточно: не выпаивал из схемы при измерении);
- подав как сигнал 3.3В - наблюдал сцену полного открытия транзистора (4.2В на нагрузке). Но он тут же начал плавно призакрываться обратно, дошёл до 1.4В - дальше было уже не интересно. Интересно другое: через электролитический конденсатор ток пёр от минуса к плюсу - бум заказывали? Поэтому убрал его, ткнул напрямую в базу 3.3В через резистор 166Ом - переборщил - но получил такое же открытие транзистора, но уже постоянное;
- напряжение между базой и землёй: 2.5В - меньше, но всё равно больше нормы;
- получается: что делает этот усилитель. Он не усиливает сигнал, а выравнивает напряжение до уровня между базой и землёй - когда оно ниже этого уровня. Вместо синусоиды с пиком 2.3В (если бы между базой и землёй было бы 2.1В) - на выходе была бы прямая 2.1В - с пиками 2.3В частотой 50Гц (усилился, но не весь);
- если при питании 12В между базой и землёй в предыдущем эксперименте было 2.7В - значит, максимальный коэффициент был бы не 20, а 4.44.

(добавлено 20.02.2026) Кажется, ситуация начинает проясняться:
- возьмём мультиметр или платформу Arduino. Если включить мультиметр на измерение напряжения, а аналоговый канал Arduino на вход - они будут снабжены гигантскими сопротивлениями - в них потекут токи, не повреждающие устройства. Но если включить на мультиметре режим измерения сопротивления, а на Arduino аналог на выход - они будут иметь наименьшее сопротивление, чтобы оно не мешало прохождению токов через подключаемые нагрузки. И если в таких режимах подключить эти устройства к напряжению, которое продавит их напряжение в обратную сторону, - сопротивления нет - устройства сгорают;
- об этом усилителе: опять была попытка скрестить ежа с ужом - и на выходе вместо рыбы фугу получилась рыба фигу. Не предназначен этот усилитель для устройств, которым нельзя в режиме генератора более сильное напряжение в обратку пихать. Ни для датчика Холла, ни для Arduino - не годится: если управляющий сигнал ниже тех 2.5-2.7В, полученных при экспериментах с усилителем. Однако если выше - усилитель никогда не продавит ток от источника сигнала в обратную сторону - корректная работа, но с несколько изменённым алгоритмом усиления;
- это напряжение 2.5-2.7В не просто так имеется. И конденсатор тоже не просто так плюсом повёрнут от источника сигнала. Так как сигнал у источника мал - напряжение между базой транзистора и землёй всегда будет продавливать ток в сторону источника - источник должен быть готов к таким поворотам судьбы;
- резистор между питанием и базой транзистора, равно как между питанием и конденсатором, - выполняет функцию подъёма сигнала на динамике относительно 0. Этот резистор не должен быть настроен так, чтобы минимальное напряжение при отсутствии сигнала на динамике было. Его можно настроить как угодно относительно той точки, когда на нагрузке минимальное напряжение образовалось на постоянной основе. Хочешь уровень на 8В поднять, когда на динамике упало всего 3В, - пожалуйста, крути до 8В;
- и дальше, от этой отметки 8В уже начинает плясать сигнал с управляющего устройства. Нет сигнала - 8В. Сигнал увеличил положительное значение своего напряжения (верхняя волна сложилась с обратными 2.7В) - напряжение на динамике скакнёт вверх. Сигнал в нижнюю часть упал - обратные 2.7В станут выше, ток к базе уменьшится (больше пойдёт в источник сигнала) - напряжение на динамике упадёт вниз.

(добавлено 26.02.2026) Самодельный транзисторный инвертор сигнала - получился с усилением и по току, и по напряжению. Надо в эту сторону смотреть, чтобы создать что-то рабочее именно в реальности.
Обновлено ( 26.02.2026 11:11 )
 
 

Последние новости


©2008-2026. All Rights Reserved. Разработчик - " title="Сергей Белов">Сергей Белов. Материалы сайта предоставляются по принципу "как есть". Автор не несет никакой ответственности и не гарантирует отсутствие неправильных сведений и ошибок. Вся ответственность за использование материалов лежит полностью на читателях. Размещение материалов данного сайта на иных сайтах запрещено без указания активной ссылки на данный сайт-первоисточник (ГК РФ: ст.1259 п.1 + ст.1274 п.1-3).

Много статей не имеет срока устаревания. Есть смысл смотреть и 2011, и даже 2008 год. Политика сайта: написать статью, а потом обновлять ее много лет.
Рекламодателям! Перестаньте спамить мне на почту с предложениями о размещении рекламы на этом сайте. Я никогда спамером/рекламщиком не был и не буду!
Top.Mail.Ru